
208 Welding Yoke
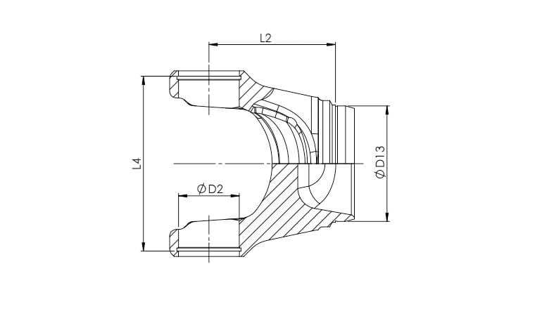
The welding pin is the connecting piece between the joint cross set and the pipe! Since it is exposed to particularly high loads, it is important to use the best materials and the best design.
PDF Download

The welding pin is the connecting piece between the joint cross set and the pipe! Since it is exposed to particularly high loads, it is important to use the best materials and the best design.
PDF Download